The utility model has the advantages that the utility model is provided with one normally open contact, which is suitable for charging piles, electric four wheeled vehicles, new energy vehicles, energy saving and environmental protection systems, road tra
3D numerical and modeling interactive display:
SEV300ADXL Click to enter...FEATURES:
SAYOON MODEL IMPLICATION:

USES:
The utility model has the advantages that the utility model is provided with one normally open contact, which is suitable for charging piles, electric four wheeled vehicles, new energy vehicles, energy saving and environmental protection systems, road traffic lighting systems, programmable power supply and uninterruptible power supply equipment.
TECHNICAL PARAMETERS: (Version 3.05)
SAYOON Product Type | SEV300AD |
| Contact form | 1 NO(SPST-NO) or 1NC(SPST-NC) |
| Coil Rated voltage (DC V) | DC6V,12V,24V,36V,48V,60V,72V,84V,120V,150V,DC220V,AC220V etc. |
| Contact switching voltage (DC V) | 12-1000V |
| Contact circuit rated load current (DC-1) | 300A |
| Typical voltage drop across contacts per 100A | ≤80mV |
| The cooling pull-in voltage at (20±5)℃ (V) | ≤70% |
| The cooling drop-out voltage at (20±5)℃ (V) | ≤35%, ≥5% |
| Working voltage range of 40℃ coil | 0.8-1.2Us |
| Drop-out time (n/o contacts to open) | 30ms |
| Pull-in time (n/o contacts to close) | 5ms |
| Maximum bounce time for contact connection | 10ms |
| Maximum bounce time for contact disconnection | 7ms |
| Insulation Resistance | 100MΩ |
| Electric strength to resist | 50Hz/60Hz 2200VAC 1minute |
| Typical fault currents which can be ruptured | 1000A/5ms at 48V DC |
| Coil power (W) | 8-20 |
| Temperature rise of coil (K) | ≤55 |
| Temperature rise on outgoing terminal (K) | ≤65 |
| Electrical life | Reference load characteristic curve |
| Mechanical life | 300,000 times |
| Work specification | Continuous |
| Contact material | Alloy |
| Inrush time (max) | 130ms |
| Maximum switching current | 2000A 320VDC(more than once) |
| Maximum switching power | 640kW |
| Load terminal type | M8 Screw |
| Coil terminal type | 0.3 square silicone wire, 390mm long |
| Auxiliary contact rated load (optional) | 3A/30VDC |
| Testing organization certification | CCC,CE,FCC,RoHS |
LOAD CHARACTERISTIC CURVE:


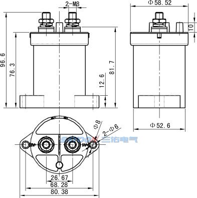
INSTALLATION DIAGRAM:

WIRING DIAGRAM:

TEMPERATURE CURVE:

MECHANICAL ABILITY and USE of the ENVIRONMENT:
| Contact lead M8 tightening torque (N.m) | ≯9.0 appropriate |
| Coil lead mode | Wire dipping tin |
| Ambient temperature | -40~+85℃ |
| Relative humidity | +20℃ 98% |
| Vibration freq. atthe fixed position | 3G, 1~50Hz amplitude 0.5mm |
| Concussion | (60~100) time/minute、acceleration≤4g |
| Altitude | 2000m |
| Installation direction | Random |
| International Protection | IP68 |
ORDER INSTRUCTION:
SAYOON Product Type | SEV300AD |
| U.N.W. | 602g |
| U.G.W. | 650g |
| Package QTY. | 40pcs |
| DIM.(cm) | 57*36*18 |
| Mounting bracket type | L Vertical(default) |
certification:



PRODUCT PICTURE:




DOWNLOAD DATA:
Tips: if you want to understand the technical details of parameters more SAYOON SEV300AD HV DC Contactor, other SAYOON or the product of information, please visit SAYOON electric official website jwfd.com.cn/en, or send mail to [email protected] , ZHEJIANG SAYOON ELECTRIC CO., LTD. will welcome your arrival.
SAYOON ELECTRIC OTHER PRODUCT LIST:
DC_Contactor CZ SZJ QZJ JCC CZW SDC CZQ HEV SEV CZW-K CZ10-80 CZ10-150 QCZ2-150 CZ10-250 QCC14-100A/10 QCC14-100A/11 SZJ50A-D SZJ100A-D SZJ200A-D SZJ400A-D SZJ600A-D SZJ800A-D SZJ1000A SZJ1500A QZJ50A-D QZJ100A QZJ200A QZJ400A QZJ600A QZJ800A QZJ1000A QZJ1200A QZJB50A-D QZJB100A QZJB200A QZJB400A QZJB600A QZJB800A QZJB1000A QZJB1200A JCC100A JCC200A JCC400A CZW50A CZW80A CZW100A CZW120A CZWP100A CZW200A CZW300A CZW400A CZW152A CZW252A CZW352A CZW600A CZW800A CZW1600A CZW2000A CZW3000A CZWH100A CZWH200A CZWH400A CZWB100A CZWB200A CZWB400A CZWJ100A CZWJ200A CZWJ100A-2T CZWJ200A-2T CZWH100A-T CZWH200A-T CZWH400A-T CZWT150A CZWT200A CZWT200L CZWH100A-2T CZWH200A-2T CZWH400A-2T CZWB100A-2 CZWB200A-2 SDC6-150A/10 SDC15-100A SDC15-200A SDC15-300A SDC15B-200A S684-200A SR6 CZQ150A CZQH150A-U CZQH150A-2T CZQ300A CZQH300A-U CZQH300A-2T SZJB50A-D SZJB100A-D SZJB200A-D SZJB300A-D SZJB400A SZJB600A SZJ300A SZJ300A-D CZW500A SU60 SW60 SW80 SW80P SW81 SW82 SW88 DC88 SW85 SW822 SW84 SW180 SW181 SW182 DC182 SW190 SW195 SW200 SW201 SW202 SW215 SW150 SW250 MZJ-50A MZJ-100A MZJ-200A MZJ-400A MZJ-600A MZJ-800A MZJ-1000A MZJ-100D MZJ-200D MZJ-400D MZJ-600D QDC2-150 CZ10-150-L QCC14-150A/10 QCC14-150A/11 QCC15-100A QCC15-200A QCC15-300A QDC2B-200A ZJWT100A ZJWT200A ZJWT200L ZJW50A ZJW100A ZJW200A ZJW400A ZJW600A ZJW800A ZJWH100A ZJWH200A ZJWH400A ZJWJ100A ZJWJ200A ZJWB200A-2 ZJWH100A-T ZJWH200A-T ZJWH400A-T ZJWH100A-2T ZJWH200A-2T ZJWH400A-2T ZJQ1_ ZJQ2_ ZJQ3_ ZJQ4_ ZJQ5_ ZJQ6_ ZJQ150A ZJQ150A-H ZJQ150A-T ZJQ300A ZJQ300A-H ZJQ300A-T QZJ250C HEV30 HEV50 HEV100 HEV200 HEV600 HEV800 HEVJ150 HEVJ300 SEV30AD SEV50AD SEV100AD SEV100FD SEV200AD SEV200FD SEV200AH SEV600AH SEV800AH HEV150 HEV250 HEV300 HEV400 SEV150AD SEV150AH SEV250AD SEV250AH SEV300AD SEV300AH SEV400AH CZW50A-K CZW100A-K CZW200A-K CZW300A-K CZW400A-K CZW400A-3K CZW400A-5K CZW152A-K CZW252A-K CZW352A-K CZW600A-K CZW800A-K CZW1600A-K CZW2000A-K CZW3000A-K CZWH1600A-K CZWH2000A-K CZWH3000A-K SU1-80A-K HEV-K SU1B-80A SU1H-80A HEV-R SB JN YS YC SC SUR Accessories CZK125A CZK250A-1 CZK250A-2 CZK400A CHJ MJX3 ED125A ED250A ZJK125A ZJK250A ZKD31-250 DC_Motor_Controller JT2 JK5 JK12A JKH JKD HLB P270 ZB01 ZB03N EFP-001 SDZ ZD-600S ST-3S ST-3SG ZD-400S ST-1S ZC ZC1 ZC3 ZC4 ZD-600D ST-3D ST-3SC ST-2S
DC64P DC66P DC88-1000P DC88P DC90 DC92 DC92P DC182P DC184 ED80 ED125 ED150 ED252 ED300 ED402 ED520 ED1200 ED1800 PC60 PC60P PC61 PC61P PC63 PC63P PC100 RU80 RU280 RW80 RW82 RW150 RW180 RW190 RW200 RW250 RW300 RW400 RW500 RW560 RW800 RW1000 RW1500 SD150 SD200 SD250 SD300 SEC200 SEC400 SEO200 SEO400 SU60 SU60P SU80 SU80P SU190 SU280 SU280P SU284 SU285 SW60P SW61 SW63 SW63P SW64 SW64P SW66 SW68 SW68P SW80P SW82 SW82P SW85 SW85P SW86 SW90 SW92 SW93 SW95 SW96 SW120 SW121 SW122 SW132 SW133 SW140 SW150 SW184 SW185 SW188 SW189 SW190 SW192 SW195 SW204 SW205 SW210 SW213 SW214 SW215 SW225 SW250 SW260 SW300 SW400 SW500 SW520 SW560 SW600 SW688 SW688P SW800 SW802 SW822 SW822P SW1000 SW1002 SW1500 SW1502 SW2000 SW2400 SW300A-1088 SW82-4 SW185A-32 SW200-20 SW822-48PHotline
13057912357
Work shift
Monday to Saturday
Company Office Number
0086-577-62620707
